產品名稱:TTL模塊
規格型號:UT-455
傳輸協議:TCP/IP轉TTL
商品數量:2路
安裝方式:插拔排針
產品概述:
產品支持串行終端到 TCP/IP之間數據轉換,內部集成 TCP/IP 協議棧,實現 3. 3V TTL 串口與 TCP/IP網絡接口的數據雙向透明傳輸,使得串口設備能夠具備聯網功能。內部集成 ARP,IP,TCP, HTTP,ICMP,UDP 等協議。所有程序提供中英文界面,有設置向導,易于操作。產品尺寸小巧,方便集成于各類產品中。廣泛用于工業控制,設備自動化,物聯網,環境監控,智能交通,動環監控等領域。
產品特性:
●采用模塊化設計,適合于工控現場的應用。
●支持較寬波特率范圍300-921600bps,適用不同類型的工業設備
●支持多種操作模式:VCOM、MCP、TCP SERVER、TCP CLIENT、UDP、Modbus TCP SERVER、Modbus TCP CLIENT
●支持web升級固件,方便不同場合特殊應用
●支持Reset I/O恢復出廠設置
●支持心跳包、注冊包功能
產品參數:
| 處理器 | 32bit LX6 240MHZ 微處理器 |
| 內存 | 520K |
| 以太網接口 | 10/100M(內嵌 1.5KV 電磁隔離)自適應 MDI/MDI-X 以太網接口 |
| 串口 | 2 路 TTL (3. 3V) |
| 供電 | DC3V/5V |
| 最大功耗 | 5V@20mA |
| 安裝方式 | 插拔排針 |
| 工作溫度 | -40~85°C |
| 運行環境 | 儲存溫度:-40~85°C |
| 相對濕度 | 5%~95%(無凝結) |
| 海拔 | 0~4000m |
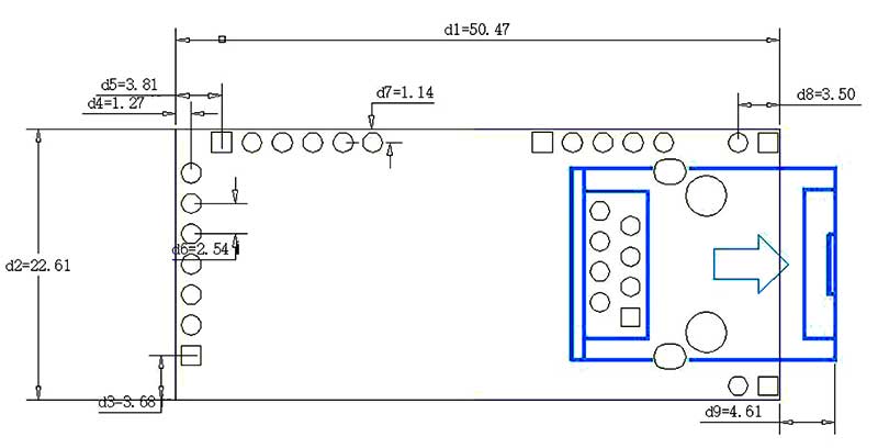
| 尺寸 | LxWXH 50.47x22.16mmx8. 4mm |
| 凈重 | 12g |
| 協議支持 | ARP、IP、ICMP、UDP、TCP、HTTP、DHCP、MODBUS 協議 |
| 配置方式 | Web browser, VCOM Utility(虛擬COM 僅Windows) |
| 操作模式 | VCOM, MCP, TCP SERVER, TCP CLIENT, UDP,MOdbuS TCP SERVER ,ModbuS TCP CLIENT |
| 波特率 | 300-921600bps |
| 數據位 | 5、6、7、8 |
| 停止位 | 1、2 |
| 校驗位 | None、0dd、Even |
| 流量控制 | RTS/CTS、DTR/DSR、XON/XOFF(僅限 RS-232) |
產品尺寸:

400-1144-149