產品名稱:TTL轉RS-485/422(5V)模塊
規格型號:UT-M482
RS-422信號:T+、T-、T/R+、T/R-
RS-485信號:485+、485-
TTL信號: RXD、TXD、GND
RS-485/422總線600W防浪涌保護
隔離電壓:1000V DC
產品概述:
UT-M482 系列隔離收發器模塊,是集成電源隔離、電氣隔離、RS-485/422 接口芯片 具有隔離及總線保護功能于一身;方便嵌入用戶的設備使產品具有連接到RS-485/422 網絡的功能。該系列模塊采用灌封工藝,具有很好的隔離特性,隔離電壓高達1000V DC。可用于工業通訊、煤礦行業、電力監控、樓宇自動化、石油化工、PLC
產品參數:
| 輸入電壓 | DC4.75~5.25V | |
| 工作電源 | 模塊靜態電流 | 小于65mA |
| 模塊發送電流 | 小于80mA | |
| RS-422總線接口 | 標準RS-485/422接口,具有ESD總線保護功能,內置4.7K上下拉電阻,雙絞線輸出,浪涌保護功能600W | |
| 總線驅動能力 | 每路RS-485/422網絡至少32個節點 | |
| 串行接口 | 兼容+5V 標準UART接口 | |
| 輸入數據波特率 | 最大115200bps | |
| 數據延時 | 從接收數據切換到發送數據延時時間:最小30μs,最大100μs | |
| 隔離電壓 | 1000VDC | |
| 工作環境 | 溫度范圍 | -40℃~+85℃ |
| 濕度 | 5~95%不結露 | |
訂購信息:
| 型號 | UT-M482 | |
| 信號/接口 | TTL | 5V |
| RS-485/422 | 600W浪涌 | |
| 接口保護等級 | RS-485/422 | √ |
| 通訊速率 | 300bps-115.2kbps | |
| 使用環境 | 溫度 | 40/85℃ |
| 濕度 | 5-95% | |
| 電源 | 無源 | |
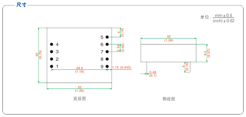
產品尺寸:

典型電路示意圖:


注:UT-M482不兼容3.3V TTL電平,由于UT-M482系列模塊內部自帶A/B線上下拉電阻(4.7K)和浪涌保護功能,因此用戶一般無需總線保護器件。
400-1144-149